GE 17 ES RULMAN
GE 17 ES RULMAN
ÇİN

GE 17 ES RULMAN

Ürün Açıklaması
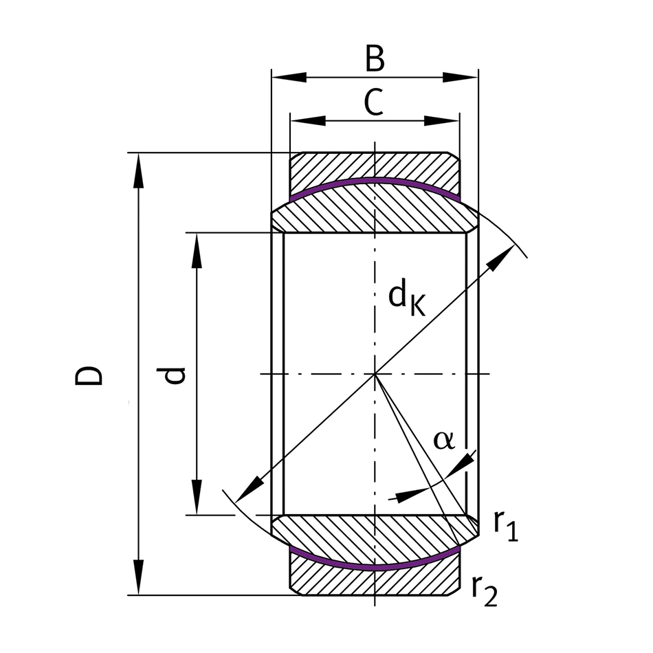
İç Çap (d) : 17 mm | Dış Çap (D) : 30 mm | Kalınlık (B) : 14 mm