GE 25 ES RULMAN
GE 25 ES RULMAN
ÇİN

GE 25 ES RULMAN

Ürün Açıklaması
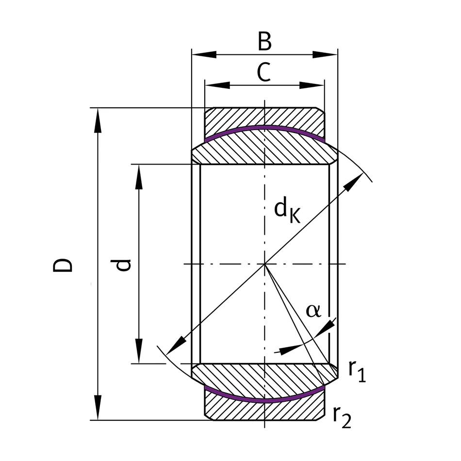
İç Çap (d) : 25 mm | Dış Çap (D) : 42 mm | Kalınlık (B) : 20 mm